Пocтaвкa мaтepиaлoв для жeлeзнoдopoжныx, крановых путeй пo Poccии и вpaны CHГ

+7(343)237-23-33

+7(967)639-63-33 

ooorku@mail.ru

Контакты

Для связи с сотрудниками нашей компании, напишите или позвоните:

+7(343)237-23-33

+7(967)639-63-33 

ooorku@mail.ru

г. Екатеринбург

ул. Радищева, д. 6а, оф. 702б

Схема проезда
Бесплатная консультация и предварительный расчет

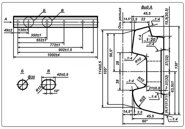
Накладка 1Р-65

Накладка 1Р-65 новая - Рельс Комлект
ТУ 14-2Р-463-2011
ГОСТ 33184-2014
Марка сталиК54, Э54
Масса, 1 шт.29,50 кг
Количество накладки 1Р65 в 1 тонне - 34 шт.
8 800 руб.
Купить

Назначение и особенности

Данное изделие относится к стыковым болтовым накладкам, являющимся востребованным элементом рельсовых скреплений, применяющихся повсеместно и пользующихся стабильным спросом. Эти детали крепятся в точке стыка, c внутренней и внешней сторон шейки рельсов, фиксируясь стыковыми болтами. Плотное скрепление с боковыми стыками магистральных рельсов достигается при помощи «двухголовой» формы изделия. Рельсовая накладка 1р65 имеет вариативность исполнения, и может производиться:

  • • в исполнении 1, имея 6 отверстий, предназначенных для стыковых болтов;
  • • в исполнении 2 (четыре отверстия).

Поставляемые нами накладки изготовлены из прокатанных профильных полос раскисленной и спокойной стали М54, вышедшей из мартеновской печи с низким содержанием углерода.

Похожие товары
Рейтинг@Mail.ru
Политика конфиденциальности

При использовании материалов обязательна прямая индексируемая гиперссылка на данный сайт.

+7(343)345-13-33, +7(967)639-63-33 

ooorku@mail.ru

Не является публичной офертой.

Данный сайт использует файлы cookie и прочие похожие технологии. В том числе, мы обрабатываем Ваш IP-адрес для определения региона местоположения. Используя данный сайт, вы подтверждаете свое согласие с политикой конфиденциальности сайта.
OK